1. Introduction In the world of rotating machinery, bearings are essential components that facilitate smooth motion while reducing friction and managing loads. Choosing the co...
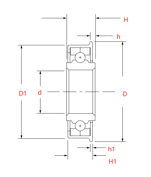
ตลับลูกปืนเม็ดกลม Unground สามารถกำหนดได้ตามการใช้งานและสภาพแวดล้อม มีรูปร่างที่ต้องการการเชื่อมต่อแบบแปลน นั่นคือ Flange Unground Bearing ลักษณะเป็นหน้าแปลนและตลับลูกปืนเป็นชิ้นเดียวกัน เมื่อไม่มีการเชื่อมต่อที่ปลายด้านหนึ่งของเพลา และจำเป็นต้องยึดไว้บนระนาบ เช่น แผ่นหรือผนัง แบริ่งหน้าแปลนจะสะท้อนข้อดีของมัน















ดาวน์โหลดแคตตาล็อก